历史影像图资料:福建宁德市八十年代锁眼卫星图像
历史卫星图像
美国锁眼(Keyhole,KH系列)卫星是冷战时期美国研制的重要侦察卫星系统,主要任务是获取地表高分辨率影像以支持军事侦察和地理制图。20世纪七八十年代,由于受技术与安全保密的限制,全球能够获取高分辨率卫星影像的数据源极为稀缺,而锁眼卫星的数据在这一时期具有无可替代的独特价值。
锁眼卫星拍摄的历史影像通常为黑白(全色)照片,但分辨率极高,部分型号(如KH-9“海盗船”系列和KH-4B等)地面分辨率可达1-2米甚至更高。在这样的清晰度下,地面上的房屋、道路、树木、河流等细节都能够被清晰辨认,这在当时远远超越了民用或一般科研可及的遥感资料。正因如此,锁眼卫星数据成为全球仅有的少量能够恢复七八十年代地表环境和人类活动高清历史场景的珍贵影像资料。
随着部分锁眼历史影像数据的解密和开放,科研和应用领域开始能够利用这些高分辨率黑白资料回溯城市扩展、土地利用、生态环境和地貌变迁等过程。尽管缺少彩色信息,但其空间精度极高,为历史遥感研究和长时序地理变化分析提供了独特且稀缺的基础数据支撑,是全球环境和人类活动研究不可替代的高清历史窗口。
以下是基于美国侦察卫星 - KeyHole锁眼卫星于八十年代拍摄的福建省福州市的高清历史卫星图像,【购买历史卫星影像】请联系北京亿景图公司工作人员,或在线留言给我们,点击在线搜索看更多卫星图。
[trans-to-En]
卫星影像购买样例(Samples)
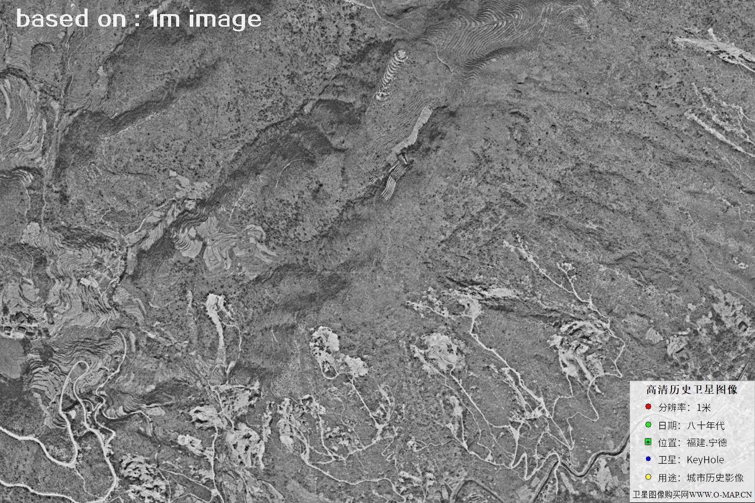
图1、美国侦察卫星拍摄的福建宁德市八十年代历史卫星图像
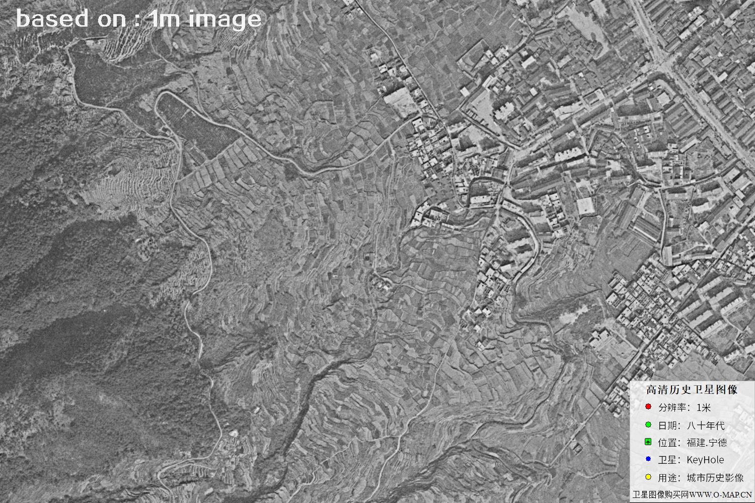
图2、美国侦察卫星拍摄的福建宁德市八十年代历史卫星图像
图3、美国侦察卫星拍摄的福建宁德市八十年代历史卫星图像
图4、美国侦察卫星拍摄的福建宁德市八十年代历史卫星图像
图5、美国侦察卫星拍摄的福建宁德市八十年代历史卫星图像
图6、美国侦察卫星拍摄的福建宁德市八十年代历史卫星图像
图7、美国侦察卫星拍摄的福建宁德市八十年代历史卫星图像
图8、美国侦察卫星拍摄的福建宁德市八十年代历史卫星图像
图9、美国侦察卫星拍摄的福建宁德市八十年代历史卫星图像
图10、美国侦察卫星拍摄的福建宁德市八十年代历史卫星图像
图11、美国侦察卫星拍摄的福建宁德市八十年代历史卫星图像
图12、美国侦察卫星拍摄的福建宁德市八十年代历史卫星图像
图13、美国侦察卫星拍摄的福建宁德市八十年代历史卫星图像
图14、美国侦察卫星拍摄的福建宁德市八十年代历史卫星图像
图15、美国侦察卫星拍摄的福建宁德市八十年代历史卫星图像
图16、美国侦察卫星拍摄的福建宁德市八十年代历史卫星图像
图17、美国侦察卫星拍摄的福建宁德市八十年代历史卫星图像
图18、美国侦察卫星拍摄的福建宁德市八十年代历史卫星图像
图19、美国侦察卫星拍摄的福建宁德市八十年代历史卫星图像
图20、美国侦察卫星拍摄的福建宁德市八十年代历史卫星图像
图21、美国侦察卫星拍摄的福建宁德市八十年代历史卫星图像
图22、美国侦察卫星拍摄的福建宁德市八十年代历史卫星图像
图23、美国侦察卫星拍摄的福建宁德市八十年代历史卫星图像
图24、美国侦察卫星拍摄的福建宁德市八十年代历史卫星图像
声明:本文系我方原创文章,未经允许不得转载,违者必究。Original articles shall not be reproduced.
